咨询热线

400-821-3512

购物车中还没有商品,赶紧选购吧!
达威力Stahlwille开口环形插套工具
商品编号
657910
商 城 价


未 税 价
(税率13%)
配送
上海市
服务
霍 夫 曼 发货并提供售后服务。
品牌
数据表
数量
库存

订      货:     库存不足时,货期详询

物料号
657910 1-10
657910 1-11
657910 1-12
657910 1-13
657910 1-14
657910 1-16
657910 1-17
657910 1-19
657910 1-22
657910 1-24
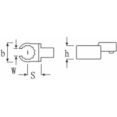
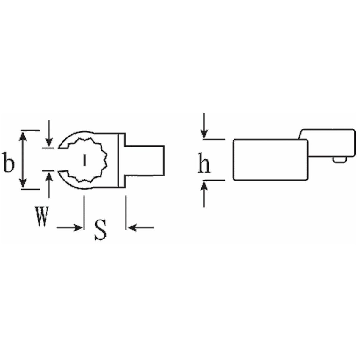
内径规 S
宽度 b
扳手开口度
插套柄
系列
高度 h
17.5mm
21.5mm
10mm
9×12mm
733/10
11mm
17.5mm
22.5mm
11mm
9×12mm
733/10
11mm
17.5mm
24.5mm
12mm
9×12mm
733/10
12mm
17.5mm
26mm
13mm
9×12mm
733/10
12mm
17.5mm
27mm
14mm
9×12mm
733/10
13mm
17.5mm
30.5mm
16mm
9×12mm
733/10
13mm
17.5mm
31.5mm
17mm
9×12mm
733/10
13mm
17.5mm
34mm
19mm
9×12mm
733/10
15mm
20mm
39.5mm
22mm
9×12mm
733/10
15mm
20mm
40mm
24mm
9×12mm
733/10
15mm
销售价 数量
 
0.00
0.00
0.00
0.00
0.00
0.00
0.00
0.00
0.00
0.00

商品详情

商品名称:达威力Stahlwille开口环形插套工具
商品编号:657910 1-10

材料

采用铬合金钢制成,在镀镍层上再镀铬,不易剥落。
提示

插套工具的强度取决于扳手开口度,因而可能比扭矩扳手要小。
请注意插套工具的净尺寸并与调整工具的净尺寸比较(参见所用扭矩扳手的检查记录/操作指南)。如有偏差,请进行净尺寸尺寸修正!
适用于

带有四方插口的扭力扳手。
技术说明

模压锻造;所有插套连接的工具 = 四方形柄部,带有弹性止动销。由此确保插套工具在扭矩扳手上可靠的紧固到位。

技术参数
刀具,可以更换
插入式扳手头
属性
内径规 S
17.5mm
宽度 b
21.5mm
扳手开口度
10mm
插套柄
9×12mm
系列
733/10
高度 h
11mm
对比栏

1

您还可以继续添加

2

您还可以继续添加

3

您还可以继续添加

4

您还可以继续添加